
202407/25
在户外照明领域,LED灯因其高效����� �������Ƴ������������ �������Ƴ������������ �������Ƴ����������� �������Ƴ�������、节能、环保的特点而备受青睐。然而,户外环境复杂����� �������Ƴ������������ �������Ƴ������������ �������Ƴ������������ �������Ƴ�������多变,对LED灯的防水性能和电源的稳定性提出了更����� �������Ƴ������������ �������Ƴ������������ �������Ƴ����������� �������Ƴ�������高要求。在众多LED防水����� �������Ƴ������������ �������Ƴ����������� �������Ƴ������������ �������Ƴ�������电源品牌中,中孚光电以其卓越的产品性能和广泛����� �������Ƴ����������� �������Ƴ������������ �������Ƴ����������� �������Ƴ�������的应用场...
202407/11
LED路灯因其高效节能、环保����� �������Ƴ������������ �������Ƴ������������ �������Ƴ������������ �������Ƴ�������无污染、长寿命等优点,逐渐取代了传统路灯,成为城����� �������Ƴ������������ �������Ƴ������������ �������Ƴ������������ �������Ƴ�������市道路、高速公路、公园、广场等户外照����� �������Ƴ����������� �������Ƴ������������ �������Ƴ������������ �������Ƴ�������明领域的主流选择。然而,要使LED路灯正常、稳����� �������Ƴ������������ �������Ƴ������������ �������Ƴ����������� �������Ƴ�������定地工作,离不开一款合适的LED路灯电源。那么.����� �������Ƴ����������� �������Ƴ������������ �������Ƴ������������ �������Ƴ�������..
202406/27
无论您是要自行打造LED灯����� �������Ƴ������������ �������Ƴ����������� �������Ƴ������������ �������Ƴ�������具、修理和改造现有灯具,还是购买新的LED灯,您����� �������Ƴ������������ �������Ƴ������������ �������Ƴ������������ �������Ƴ�������都需要为您的LED找到合适的电源。您需要恒流LE����� �������Ƴ������������ �������Ƴ������������ �������Ƴ������������ �������Ƴ�������D驱动器或恒压电源(或两者结合)才能让您����� �������Ƴ������������ �������Ƴ������������ �������Ƴ������������ �������Ƴ�������的LED正常工作。选择LED照明电源����� �������Ƴ������������ �������Ƴ����������� �������Ƴ������������ �������Ƴ�������时需要考虑许多不...
202406/24
在现代城市的照明系统中,LED路灯驱动����� �������Ƴ������������ �������Ƴ������������ �������Ƴ������������ �������Ƴ�������电源扮演着至关重要的角色����� �������Ƴ������������ �������Ƴ������������ �������Ƴ������������ �������Ƴ�������。LED技术的迅猛发展使得LED路灯成����� �������Ƴ����������� �������Ƴ������������ �������Ƴ������������ �������Ƴ�������为公共照明的主流选择,而驱动电源作为LED灯的核����� �������Ƴ������������ �������Ƴ������������ �������Ƴ����������� �������Ƴ�������心组成部分,其在户外环境中的����� �������Ƴ������������ �������Ƴ������������ �������Ƴ������������ �������Ƴ�������作用愈发显著。本文将探讨L����� �������Ƴ������������ �������Ƴ������������ �������Ƴ������������ �������Ƴ�������ED路灯...
202406/16
LED运行中最重要的元素之一是����� �������Ƴ����������� �������Ƴ������������ �������Ƴ������������ �������Ƴ�������驱动器。与传统照明不同,LED照����� �������Ƴ������������ �������Ƴ������������ �������Ƴ������������ �������Ƴ�������明不直接连接到电源,而是通过驱动器转换从电源接收����� �������Ƴ������������ �������Ƴ������������ �������Ƴ������������ �������Ƴ�������到的电压,并相应地调整到LE����� �������Ƴ������������ �������Ƴ������������ �������Ƴ������������ �������Ƴ������D灯具上。 LED是一种半导体器����� �������Ƴ������������ �������Ƴ������������ �������Ƴ������������ �������Ƴ�������件,当其两端之间施加电压时,它会发出可见光...����� �������Ƴ������������ �������Ƴ������������ �������Ƴ������������ �������Ƴ�������
202406/05
我需要哪款 LED 驱动器? L����� �������Ƴ������������ �������Ƴ������������ �������Ƴ������������ �������Ƴ������ED 驱动器是 LED 照明系统中必不可少的����� �������Ƴ������������ �������Ƴ������������ �������Ƴ������������ �������Ƴ������组件,因为它为 LED 灯提供稳压电源,确����� �������Ƴ������������ �������Ƴ������������ �������Ƴ������������ �������Ƴ�������保其安全高效地运行。您需要����� �������Ƴ������������ �������Ƴ����������� �������Ƴ������������ �������Ƴ�������的 LED 驱动器类型取决于几个因素����� �������Ƴ������������ �������Ƴ������������ �������Ƴ������������ �������Ƴ�������,包括: LED 功耗:这是指操作 LED ����� �������Ƴ������������ �������Ƴ����������� �������Ƴ������������ �������Ƴ�������灯所需的...
202405/14
在现代照明和电子设备领域,LED(Ligh����� �������Ƴ������������ �������Ƴ������������ �������Ƴ������������ �������Ƴ�������t Emitting Diod����� �������Ƴ������������ �������Ƴ������������ �������Ƴ������������ �������Ƴ�������e)技术的广泛应用已成为常态����� �������Ƴ������������ �������Ƴ������������ �������Ƴ������������ �������Ƴ�������。而LED驱动电源作为LED灯����� �������Ƴ������������ �������Ƴ������������ �������Ƴ������������ �������Ƴ�������具中至关重要的组成部分,其性能对于LED灯具的����� �������Ƴ������������ �������Ƴ������������ �������Ƴ����������� �������Ƴ�������亮度、稳定性和寿命具有至关重����� �������Ƴ������������ �������Ƴ������������ �������Ƴ������������ �������Ƴ������要的影响。因此,本文将深入探讨LED驱动电源的技����� �������Ƴ������������ �������Ƴ������������ �������Ƴ������������ �������Ƴ�������术方...
202405/06
LED灯有LED驱动电源,没有镇流器,但并非所����� �������Ƴ����������� �������Ƴ������������ �������Ƴ������������ �������Ƴ�������有电源都相同。在技术、质量和预期用途����� �������Ƴ������������ �������Ƴ����������� �������Ƴ����������� �������Ƴ�������方面存在显着差异。 ����� �������Ƴ������������ �������Ƴ������������ �������Ƴ������������ �������Ƴ�������防水和非防水LED驱动电源有什么区别����� �������Ƴ������������ �������Ƴ����������� �������Ƴ������������ �������Ƴ�������? 防水LED驱动电源����� �������Ƴ����������� �������Ƴ������������ �������Ƴ������������ �������Ƴ������是指输入电源和输出直流电源均防水����� �������Ƴ������������ �������Ƴ������������ �������Ƴ������������ �������Ƴ������的LED驱...
202204/29
LED 驱动电源的工作环境����� �������Ƴ������������ �������Ƴ������������ �������Ƴ������������ �������Ƴ�������十分符合其说明书的要求,如输入交流����� �������Ƴ������������ �������Ƴ������������ �������Ƴ������������ �������Ƴ������电压的范围,过高或者过低的输入电压会触发 LE����� �������Ƴ������������ �������Ƴ������������ �������Ƴ������������ �������Ƴ�������D 驱动电源的欠压与过压保����� �������Ƴ������������ �������Ƴ������������ �������Ƴ������������ �������Ƴ�������护;
201808/06
工矿灯主要是用于矿洞或隧道等这些地方。但是工矿灯����� �������Ƴ������������ �������Ƴ����������� �������Ƴ������������ �������Ƴ�������的种类也很多,小编知道的就有LED����� �������Ƴ������������ �������Ƴ������������ �������Ƴ������������ �������Ƴ������� 防爆工矿灯、UFO工矿灯、����� �������Ƴ������������ �������Ƴ������������ �������Ƴ������������ �������Ƴ�������普通工矿灯等。而今天中孚主要是想与����� �������Ƴ������������ �������Ƴ����������� �������Ƴ������������ �������Ƴ������大家说说LED 防爆工矿灯与普通的工矿灯有什么区����� �������Ƴ������������ �������Ƴ������������ �������Ƴ����������� �������Ƴ�������别?
201807/30
我们知道现在市面上不管是照明灯具还是����� �������Ƴ������������ �������Ƴ����������� �������Ƴ������������ �������Ƴ�������照明灯具的电源种类都有很多,但是很多在采����� �������Ƴ������������ �������Ƴ����������� �������Ƴ����������� �������Ƴ�������购的时候可能会出现选择错误的����� �������Ƴ������������ �������Ƴ������������ �������Ƴ������������ �������Ƴ�������情况。今天小编就最常见的一个问题来给大家解答����� �������Ƴ������������ �������Ƴ������������ �������Ƴ������������ �������Ƴ�������下,投光灯和工矿灯有什么区别?
201807/23
工矿灯是什么大家都知道,但是如果加个UFO����� �������Ƴ������������ �������Ƴ������������ �������Ƴ������������ �������Ƴ�������呢?懵了吧!很多人对于这种新型产品可能都还����� �������Ƴ������������ �������Ƴ������������ �������Ƴ����������� �������Ƴ�������不了解,甚至大部分人可能听都没有听说过。那么今天����� �������Ƴ������������ �������Ƴ������������ �������Ƴ����������� �������Ƴ�������中孚光电UFO工矿灯电源厂家就来告诉大家,有兴����� �������Ƴ������������ �������Ƴ����������� �������Ƴ������������ �������Ƴ������趣的朋友们一起来了解下吧!
201807/20
LED驱动电源其实就是LE����� �������Ƴ������������ �������Ƴ������������ �������Ƴ������������ �������Ƴ�������D照明灯具的动力来源,也����� �������Ƴ������������ �������Ƴ����������� �������Ƴ������������ �������Ƴ������可以说是照明灯具的“心脏”。如果少了����� �������Ƴ������������ �������Ƴ������������ �������Ƴ������������ �������Ƴ�������驱动电源,照明灯具就起不了作����� �������Ƴ������������ �������Ƴ������������ �������Ƴ������������ �������Ƴ�������用没办法照明了。由此可见LED驱动电源的����� �������Ƴ������������ �������Ƴ������������ �������Ƴ������������ �������Ƴ������重要性,但是对于LED驱动电源,你����� �������Ƴ����������� �������Ƴ����������� �������Ƴ������������ �������Ƴ������真的了解吗?
201807/16
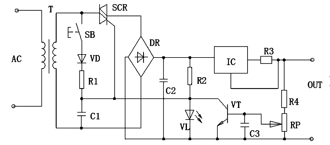
LDE路灯电源大家听得多了,对����� �������Ƴ������������ �������Ƴ����������� �������Ƴ����������� �������Ƴ�������于这种名称与产品都是比较熟悉的,那么LED路灯����� �������Ƴ������������ �������Ƴ������������ �������Ƴ������������ �������Ƴ�������恒流电源呢?LED路灯恒流电源的原理����� �������Ƴ������������ �������Ƴ������������ �������Ƴ����������� �������Ƴ�������是什么呢?LED路灯恒流电源的����� �������Ƴ������������ �������Ƴ������������ �������Ƴ������������ �������Ƴ�������原理与普通电源的原理有什么区别之处呢?今天孚����� �������Ƴ������������ �������Ƴ������������ �������Ƴ������������ �������Ƴ������光电LED路灯电源厂家就为大家简单分析下
201807/09
随着人们环保意识的增强,同时也带动了LED行����� �������Ƴ������������ �������Ƴ������������ �������Ƴ����������� �������Ƴ�������业的发展。LED灯的种类越来越多,应����� �������Ƴ������������ �������Ƴ������������ �������Ƴ������������ �������Ƴ�������用也是越来越广泛。就连现在路灯基本也都是选����� �������Ƴ������������ �������Ƴ������������ �������Ƴ������������ �������Ƴ������用的LED路灯,有灯自然就需要电源,LED����� �������Ƴ������������ �������Ƴ����������� �������Ƴ������������ �������Ƴ�������路灯自然就需要LED路灯电源。那么LED路灯电����� �������Ƴ������������ �������Ƴ������������ �������Ƴ������������ �������Ƴ�������源的选择要素是什么呢?中孚����� �������Ƴ������������ �������Ƴ������������ �������Ƴ������������ �������Ƴ������光...
201807/04
LED电源经常损坏的原因详解,很多人在采����� �������Ƴ����������� �������Ƴ������������ �������Ƴ������������ �������Ƴ�������购灯具时都会彩购LED电源,我们也都����� �������Ƴ������������ �������Ƴ����������� �������Ƴ������������ �������Ƴ������知道LED电源相比其它东西更环保耐用。����� �������Ƴ������������ �������Ƴ������������ �������Ƴ������������ �������Ƴ������但是有时候也会出现不好的问题,当出现这种情况时该����� �������Ƴ������������ �������Ƴ����������� �������Ƴ������������ �������Ƴ�������怎么办呢?中孚光电植物灯电源诉大家
201807/02
LED电源在使用中的常见问����� �������Ƴ������������ �������Ƴ������������ �������Ƴ����������� �������Ƴ�������题都有哪些呢?LED电源的应用越����� �������Ƴ������������ �������Ƴ������������ �������Ƴ����������� �������Ƴ�������来越广泛,那么LED电源在使用中的常见问题����� �������Ƴ������������ �������Ƴ������������ �������Ƴ����������� �������Ƴ�������到底有哪些?中孚光电植物灯电源厂家����� �������Ƴ����������� �������Ƴ������������ �������Ƴ����������� �������Ƴ�������为大家总结了一些,有兴趣的朋友����� �������Ƴ������������ �������Ƴ������������ �������Ƴ������������ �������Ƴ�������一起来了解下
201806/25
LED调光电源有哪些类型?随着电力����� �������Ƴ������������ �������Ƴ������������ �������Ƴ������������ �������Ƴ�������行业的发展,LED灯的使用也是越来越普遍。很多����� �������Ƴ������������ �������Ƴ������������ �������Ƴ������������ �������Ƴ�������人现在都会选择使用LED灯来照明,因为LED����� �������Ƴ������������ �������Ƴ����������� �������Ƴ����������� �������Ƴ�������灯的好处真的是太多了。比如L����� �������Ƴ������������ �������Ƴ������������ �������Ƴ����������� �������Ƴ�������ED灯更加环保安全,且低热能高亮度,而且寿命����� �������Ƴ������������ �������Ƴ������������ �������Ƴ������������ �������Ƴ�������长还低功耗。但是很多人对于LED����� �������Ƴ������������ �������Ƴ������������ �������Ƴ����������� �������Ƴ�������调光电源...
201806/22
LED恒流防水电源哪家强?现在市����� �������Ƴ������������ �������Ƴ����������� �������Ƴ������������ �������Ƴ�������面上有很多LED恒流防水����� �������Ƴ������������ �������Ƴ������������ �������Ƴ������������ �������Ƴ������电源厂家,因此大家在选择的����� �������Ƴ������������ �������Ƴ������������ �������Ƴ������������ �������Ƴ�������时候就会比较头痛,不知道选哪个厂家����� �������Ƴ������������ �������Ƴ������������ �������Ƴ������������ �������Ƴ�������更有保障。今天中孚光电LED路灯电源就来告����� �������Ƴ������������ �������Ƴ������������ �������Ƴ������������ �������Ƴ�������诉大家,到底LED恒流防水电源哪家����� �������Ƴ������������ �������Ƴ������������ �������Ƴ������������ �������Ƴ�������强?
201806/19
LED防水电源的保护功能有哪些?LE����� �������Ƴ����������� �������Ƴ������������ �������Ƴ������������ �������Ƴ�������D防水电源顾名思义就是可以防水的一种LED电源����� �������Ƴ������������ �������Ƴ������������ �������Ƴ����������� �������Ƴ�������产品。简单地说,LED防水电源����� �������Ƴ������������ �������Ƴ����������� �������Ƴ������������ �������Ƴ�������其实就是一种LED驱动电源,这种电源是����� �������Ƴ����������� �������Ƴ������������ �������Ƴ������������ �������Ƴ�������把供应转换为特定电压电流来为驱动LED发����� �������Ƴ������������ �������Ƴ������������ �������Ƴ������������ �������Ƴ�������光的一种电压转换器。今天,中孚光����� �������Ƴ����������� �������Ƴ������������ �������Ƴ����������� �������Ƴ������电LED防水电源...




扫一扫关注官方微信
15816892786